Facebook
Tel: 1-818-770-0820
Navigation
Home
About Us
Products
Services
Contact
Home
About Us
Products
Services
Contact
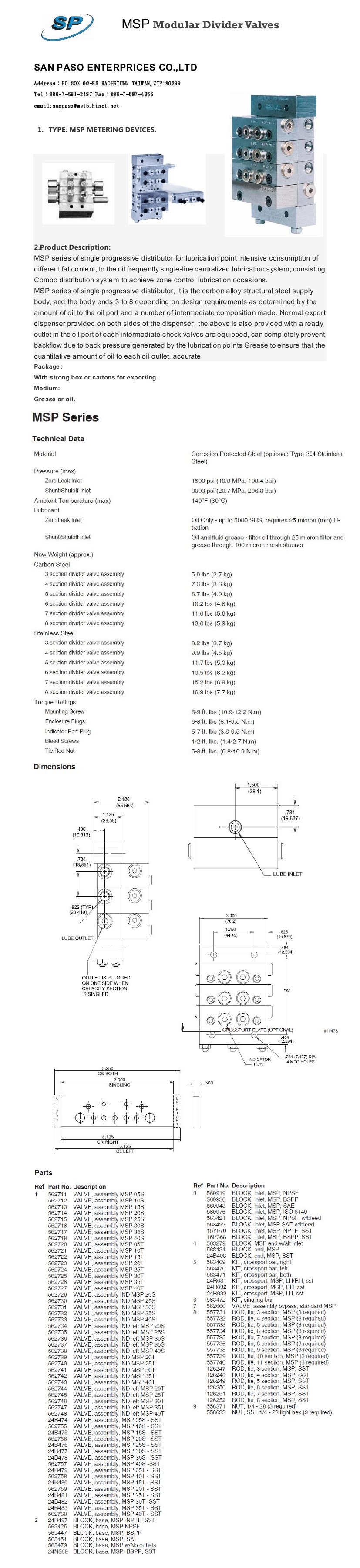
MSP METERING DEVICES
Back To
METERING VALVES